| 十、弥漫性硬化性肾小球肾炎 | 《病理学》 |
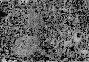
十、弥漫性硬化性肾小球肾炎弥漫性硬化性肾小球肾炎(diffuse sclerosing glomerulonephritis)是各种类型肾小球肾炎发展到晚期的结果。大量肾小球纤维化、硬化,原始的病变类型已不能辨认。病人的主要症状为慢性肾功能衰竭。有些病人过去有肾炎的病史。约25%的病人起病缓慢,无自觉症状,无肾炎病史,发现时已为晚期。 【病理变化】 两侧肾对称性萎缩变小,色苍白,表面呈弥漫性细颗粒状。有时可有散在的小囊肿形成。肾不而质硬,故称颗粒性固缩肾。切面见肾皮质萎缩变薄,纹理模糊不清,皮髓质分界不明显。肾盂周围脂肪组织增多。小动脉壁增厚,变硬,口哆开。 镜下可见大量肾小球纤维化及玻璃样变,有的形成无结构的玻璃样小团(图12-22)。这些肾小球所属的肾小管也萎缩、纤维化、消失。纤维组织收缩,使纤维化、玻璃样变的肾小球相互靠近集中(图12-23)。有些纤维化的肾小球消失于增生的纤维结缔组织中。无法辨别原有的病变类型。存留的肾单位常发生代偿性肥大,肾小球体积增大,肾小管扩张。肾小管上皮细胞呈立方或高柱状,有些肾小管明显扩大呈小囊状,上皮细胞扁平。扩张的肾小管腔内常有各种管型。间质纤维组织明显增生,并有多数淋巴细胞和浆细胞浸润。由于肾组织缺血及高血压,间质内小动脉硬化,管壁增厚,管腔狭小。
图12-22弥漫性硬化性肾小球肾炎 肾小球纤维化,玻璃样变;肾小管也大部分萎缩纤维化;间质纤维组织增生,有多数慢性炎细胞浸润
图12-23弥漫性硬化性肾小球肾炎 大量肾小球纤维化,玻璃样变,相互靠近、集中,残存的肾小球呈代偿性肥大 【临床病理联系】 晚期硬化性肾炎病人常有贫血、持续性高血压和肾功能不全,而尿常规检查往往变化不明显。由于大量肾单位被破坏,功能丧失,存留的肾单位相对比较正常,血浆蛋白漏出不多,因而蛋白尿、血尿、管型尿都不如早期那样明显,水肿也很轻微。大量肾单位丧失后,血流只能通过存留的肾单位,故血流通过肾小球的速度加快,肾小球滤过率和尿液通过肾小管的速度也随之加快。但肾小管的重吸收功能有一定限度,所以大量水分不能再吸收,肾的尿浓缩功能降低,从而出现多尿、夜尿,尿的比重降低,常固定在1.010左右。 晚期,大量肾单位纤维化,肾组织严重缺血,肾素分泌增加,病人往往有明显的高血压。高血压可促使动脉硬化,进一步加重肾缺血,使血压持续在较高水平。长期高血压可引起左心室肥大,严重时甚至可导致心力衰竭。 晚期肾炎时肾单位大量破坏,残留的肾单位逐渐减少,最后造成体内代谢废物不能排出,水电解质代谢和酸碱平衡调节发生障碍。最后可导致氮质血症和肾功能衰竭。 此外,由于肾组织大量破坏,促红细胞生成素生成减少,长期肾功能不全引起的氮质血症和自身中毒抑制骨髓造血功能,故病人常有贫血。 【结局】 有些肾炎病变发展缓慢,病程长短不一,可达数年至数十年之久。早期进行合理治疗控制疾病发展,可取得较好的效果。病变发展到晚期,大量肾单位被破坏,如不采取措施可导致肾功能衰竭和心功能衰竭,故应注意预防和早期治疗。 硬化性肾炎的死亡原因主要为肾功能不全引起的尿毒症。其次为高血压引起的心力衰竭和脑出血,以及机体抵抗力降低而引起的继发感染。
|
返回目录 |